asdar.id menyediakan Member Premium Download untuk download file tanpa embel-embel iklan dan halaman, apa lagi harus menunggu timer yang begitu lama. Dengan berlangganan Member Premium Download, semua file dapat didownload dengan singkat langsung menuju ke sumbernya!, klik DISINI untuk DAFTAR atau DISINI untuk LOGIN :-) Jika ada pertanyaan silahkan hubungi Admin DISINI. Untuk cara download file Member Free Download, bisa membaca Tutorial Download yang ada dibawah Timer (halaman Safelink) saat menekan tombol download.Halo rekan-rekan arsitek dan sipil, apa kabar kalian hari ini? Saya doakan semoga kalian sehat selalu. Hari ini saya akan membagikan referensi Gambar Skema Penulangan Sloof Format DWG AutoCAD kepada kalian secara gratis tanpa dipungut biaya apapun.
Gambar ini sangat cocok untuk anda yang mencari referensi gambar AutoCAD, terlebih lagi untuk pelajar khususnya mahasiswa. File ini bisa dijadikan referensi untuk belajar gambar.
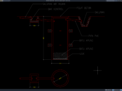
Penulangan pada Sloof
Balok sloof adalah salah satu bagian dari struktur sebuah rumah. Balok sloof adalah balok yang berada di atas pondasi sebuah bangunan. Fungsi balok sloof adalah meratakan beban ke seluruh pondasi dari struktur yang ada diatasnya. Selain itu balok sloof juga berfungsi sebagai pengikat dinding bagian bawah agar tidak tetap stabil ketika ada gaya geser atau gaya dorong, serta pergerakan tanah di bawah pondasi.
Dimensi balok sloof mengikuti kebutuhan struktur. Namun pada umumnya dimensi balok sloof untuk bangunan rumah tinggal satu lantai adalah ukuran 15 cm x 20 cm. Dan untuk bangunan rumah tinggal dua lantai dimensi balok sloof yang digunakan adalah ukuran 20 cm x 30 cm. Tapi tentu dimensi balok sloof disesuaikan dengan hasil perhitungan struktur. Dimensi balok sloof di atas adalah acuan standar jika kita tidak mempunyai perhitungan struktur yang detail. Karena untuk menghitung desain konstruksi membutuhkan pemahaman mengenai ilmu struktur yang tidak semua orang mempelajari.
Tulangan besi beton yang digunakan untuk balok sloof rumah tinggal yang mempunyai lantai satu atau dua adalah besi dengan diameter 12 mm, dengan begel menggunakan besi 6 mm. Jumlah tulangan besi utama yang digunakan untuk balok sloof berjumlah empat buah, dengan jarak sengkang lima belas ( 15 ) cm. Jumlah tulangan, dimensi tulangan dan jarak sengkang yang digunakan diatas adalah untuk konstruksi rumah tinggal lantai satu dan dua dengan konstruksi sederhana.
Yang harus diperhatikan juga untuk struktur balok sloof ini adalah faktor panjang sambungan penulangan. Struktur balok sloof juga berfungsi untuk mengikat kolom bangunan rumah. Agar ikatan antara balok sloof dan kolom kuat, maka diperlukan sambungan yang baik. Panjang sambungan yang dibutuhkan adalah 40d, artinya panjang sambungan yang dibutuhkan empat puluh (40) kali diameter yang digunakan oleh balok sloof. Misalkan besi beton yang digunakan oleh balok sloof ada 12 mm, maka panjang tulangan sambungan adalah 12 mm x 40 = 480 mm. Selain panjang penulangan sambungan adalah kualitas beton cor. Kualitas beton cor yang di sarankan adalah campuran 1Pc:2Ps:3Kr.
Download Gambar Skema Penulangan Sloof Format DWG AutoCAD
File yang saya bagikan kali ini menyajikan gambar skema penulangan sloof. Hanya sekedar untuk memberikan referensi pembelajaran ataupun acuan gambar kerja. Ini sangat bagus untuk pemula atau yang baru menekuni bidang arsitektur.
Gambar detail penulangan sloof File AutoCAD adalah merupakan salah satu contoh desain gambar yang ada pada umumnya diterapkan pada pekerjaan terkait.
Gambar ini sudah dalam format .dwg yang artinya anda bisa langsung membukanya melalui aplikasi autocad versi terbaru atau paling lama versi 2007, selain itu anda juga bisa mengedit langsung untuk memodifikasi agar sesuai selera atau kebutuhan desain anda.
Silahkan didownload Gambar Skema Penulangan sloof Format DWG AutoCAD dibawah ini:
Skema Penulangan Sloof Format DWG AutoCAD
| Google Drive | DOWNLOAD[65.75KB] |
| Mediafire | DOWNLOAD[65.75KB] |
Password rar: www.asdar.id
Catatan penting: Ketika menemukan file winrar tidak bisa di extract atau corrupt, maka solusinya adalah dengan mengupdate aplikasi winrar di komputer anda ke versi yang baru, download winrar terbaru disini.
Jika ingin mencopy artikel ini, mohon cantumkan juga sumbernya karena saya melihat ada blog yang copas tidak menyertakan sumbernya. Atau jika tidak, tulislah dengan bahasa masing-masing. Hargailah setiap karya dan usaha orang lain.
Sekian postingan singkat kali ini mengenai Gambar Skema Penulangan Sloof Format DWG AutoCAD, semoga bisa bermanfaat untuk yang lagi belajar desain atau sekedar menjadikan koleksi referensi. Jangan lupa untuk selalu berbagi satu kebaikan dengan cara share atau bagikan artikel ini ke teman-teman di sosial media, cukup dengan klik tombol SHARE disitus ini, terimakasih!



















bang ada channel youtube ndk, bkn tutorial jg bang sangat bermanfaat webnya. di tgg channel youtubenya bang ane pemula hehe
mohon maaf gak ada mas